Cấu tạo nguyên lý hệ thống chiếu sáng ô tô

Hệ thống chiếu sáng
Khái quát của chương
Chương này trình bày về Hệ thống chiếu sáng.
Khái quát
Các bộ phận
Đèn pha và đèn hậu
1. Khái quát chung
Đèn sử dụng trên xe được phân loại theo mục đích: chiếu sáng, tín hiệu và thông báo. Ví dụ, các đèn pha ở đầu xe được dùng để chiếu sáng khi đi vào ban đêm, các đèn xinhan để báo cho các xe khác cũng như người đi bộ, và các đèn hậu ở đuôi xe để thông báo vị trí của xe.
Ngoài hệ thống chiếu sáng nói chung, xe còn được trang bị các hệ thống có các chức năng khác nhau tuỳ theo từng thị trường và cấp nội thất.
2. Hệ thống chiếu sáng
(1) Hệ thống cảnh báo đèn phía sau
Người lái không thể nhận ra được các đèn hậu, đèn phanh bị cháy. Hệ thống cảnh báo đèn phía sau thông báo cho người lái biết các bóng đèn hậu bị cháy nhờ một đèn cảnh báo trên bảng đồng hồ táp lô khi các bóng đèn như đèn hậu hoặc đèn phanh bị cháy.
Hệ thống này được điều khiển bởi cảm biến báo hư hỏng đèn và thường được lắp trong khoang hành lý.
Rơle báo hư hỏng đèn xác định tình trạng đèn bị cháy bằng cách so sánh các điện áp khi đèn hoạt động bình thường hoặc khi bị hở mạch.
(2) Hệ thống DRL (đèn chạy ban ngày)
Ở hệ thống này, chỉ có đèn pha hoặc cả các đèn pha và đèn hậu tự động bật sáng khi động cơ nổ máy ở ban ngày, giúp các xe khác có thể nhìn thấy.
Ở một số nước, vì lý do an toàn, luật quy định bắt buộc phải có hệ thống này trên xe.
Tuổi thọ của bóng đèn sẽ bị rút ngắn nếu đèn bật liên tục với cường độ sáng như ban đêm. Để nâng cao tuổi thọ của đèn, mạch điện được thiết kế sao cho cường độ sáng của đèn giảm đi khi hệ thống DRL hoạt động.
(3) Hệ thống chuông nhắc nhở bật đèn / Hệ thống tự động tắt đèn
Các đèn pha và đèn hậu tiếp tục bật sáng ngay cả khi khoá điện ở vị trí “LOCK”, nếu công tắc điều khiển đèn ở vị trí ON.
Mục đích của hệ thống là ngăn không cho ắc quy bị phóng hết điện do người lái quên tắt đèn.
Khi cửa xe phía người lái được mở và khoá điện ở vị trí “LOCK”, “ACC” hoặc không có chìa khoá, hệ thống sẽ thông báo bằng chuông báo hoặc tự động tắt đèn.
Hệ thống chuông báo được gọi là hệ thống chuông nhắc nhở cảnh báo đèn và hệ thống tự động tắt đèn pha được gọi là hệ thống tắt đèn tự động.
(4) Hệ thống điều khiển đèn tự động
Khi trời tối, hệ thống sẽ tự động bật đèn pha nếu công tắc điều khiển đèn ở vị trí “AUTO”.
Cảm biến điều khiển đèn tự động được đặt ở đầu trên của bảng táp lô.
Một số xe không có vị trí “AUTO”, hệ thống vẫn hoạt động ở vị trí “OFF”.
(5) Hệ thống điều khiển góc độ chiếu sáng đèn pha
Xe bị nghiêng tuỳ theo điều kiện chất tải (hành khách hoặc hành lý), có thể làm đèn pha gây chói mắt cho xe đối diện.
Hệ thống này cho phép người lái điều chỉnh góc chiếu sáng đèn pha theo phương thẳng đứng bằng công tắc điều khiển.
Một số xe có hệ thống điều khiển góc độ chiếu sáng đèn pha tự động để đạt được góc chiếu tối ưu.
(6) Hệ thống đèn pha phóng điện (cao áp)
Đèn pha cao áp sử dụng khí Xenon cho ánh sáng trắng và vùng chiếu sáng rộng hơn so với halogen.
Tuổi thọ của bóng đèn cũng dài hơn, là một trong những đặc điểm nổi bật của loại đèn này.
(7) Hệ thống chiếu sáng khi vào xe
Vào ban đêm, rất khó nhìn thấy ổ khoá hoặc khu vực sàn xe.
Hệ thống này sẽ bật đèn chiếu sáng khu vực ổ khoá hoặc các đèn trong xe trong thời gian nhất định sau khi đóng cửa xe, hỗ trợ việc tra chìa vào ổ khoá điện hoặc các thao tác chân.
(Chỉ hoạt động khi công tắc đèn trần ở vị trí “DOOR”).
Thời gian chiếu sáng thay đổi tùy kiểu xe.
(8) Hệ thống nhắc nhở đèn trong xe
Nếu các đèn trong xe (đèn trần, đèn ổ khoá) sáng liên tục sẽ làm ắc quy cạn điện.
Hệ thống này tự động tắt đèn sau một thời gian nếu cửa xe hé mở và khoá điện ở vị trí “LOCK” hoặc không có chìa khoá trong ổ.
Vị trí
 Hệ thống chiếu sáng có các bộ phận sau đây.
1. Đèn pha/đèn pha loại cao áp
(ECU điều khiển đèn pha cao áp)
(Đèn sương mù phía trước) 
2. Cụm đèn phía sau
(Đèn sương mù phíasau) 
3. Công tắc điều khiển đèn và điều chỉnh độ sáng
(Công tắc đèn xinhan, công tắc đèn sương mù phía trước/phíasau)
4. Đèn xinhan và đèn báo nguy hiểm 
5. Công tắc đèn báo nguy hiểm 
6. Bộ nhấp nháy đèn xinhan 
7. Cảm biến báo hư hỏng đèn 
8. Rơ le tổ hợp 
9. Cảm biến điều khiển đèn tự động
10. Công tắc điều khiển góc chiếu sáng đèn pha
11. Bộ chấp hành điều khiển góc chiếu sáng đèn pha
12. Đèn trong xe 
13. Công tắc cửa
14. Đèn chiếu sáng khoá điện 
Hệ thống đèn pha và đèn hậu
1. Hệ thống đèn hậu
Có hai loại hệ thống đèn hậu: loại đèn hậu được nối trực tiếp vào công tắc điều khiển đèn và loại có rơle đèn hậu.
(1) Loại nối trực tiếp
Khi công tắc điều khiển đèn được vặn về vị trí “TAIL”, thì các đèn hậu bật sáng.
(2) Loại có rơle đèn hậu
Khi công tắc điều khiển đèn vặn về vị trí “TAIL”, thì dòng điện đi vào phía cuộn dây của rơ le đèn hậu. Rơle đèn hậu được bật lên và đèn sáng.
THAM KHẢO:
Một số xe có hệ thống đèn hậu được trang bị chỉ báo đèn hậu. 
2. Hệ thống đèn pha 
Có hai loại hệ thống đèn pha khác nhau tuỳ theo chúng có thiết bị điện như rơle đèn pha và rơle điều chỉnh độ sáng. Nhìn chung khi công tắc điều chỉnh độ sáng ở vị trí “FLASH”, thì mạch điện được cấu tạo để bật sáng các đèn ngay cả khi công tắc điều khiển đèn ở vị trí OFF.
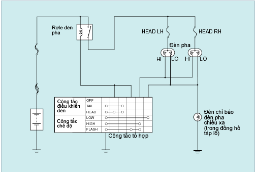
(1) Loại không có rơ le đèn pha và không có rơle điều chỉnh độ sáng
Đèn pha (Chiếu gần LO - Bearn)
Khi xoay công tắc điều khiển đèn về vị trí HEAD (LOW), đèn pha (chiếu gần) bật sáng.
Đèn pha (Chiếu xa “High – Bearn”)
Khi xoay công tắc về vị trí HEAD (HIGH), thì đèn pha-chiếu xa bật sáng và đèn chỉ báo đèn pha-chiếu
xa trên bảng điều khiển cũng bật sáng.
Đèn pha FLASH (Nháy pha)
Khi công tắc điều khiển đèn dịch chuyển về vị trí FLASH thì đèn pha chiếu xa sẽ bật sáng.
THAM KHẢO:
Một số xe có hệ thống đèn pha được trang bị đèn chỉ báo đèn pha.
(2) Loại có rơ le đèn pha nhưng không có rơ le điều chỉnh độ sáng
Nguyên lý hoạt động của đèn pha-chiếu gần
Khi công tắc điều khiển đèn dịch chuyển về vị trí HEAD (LOW), thì rơle đèn pha được bật lên và đèn pha-chiếu gần sáng lên.
Nguyên lý hoạt động của đèn pha-chiếu xa
Khi công tắc điều khiển đèn dịch chuyển về vị trí HEAD (HIGH), thì rơ le đèn pha bật đèn pha-chiếu xa và đèn chỉ báo đèn pha-chiếu xa trên đồng hồ táp lô cũng bật sáng.
GỢI Ý:
Loại mắc nối tiếp với đèn chỉ báo
Dòng điện đi từ đèn pha-chiếu gần đến đèn chỉ báo đèn pha-chiếu xa và đèn chỉ báo bật sáng.
Dòng điện đi đến đèn pha-chiếu gần, nhưng vì điện trở và dòng điện nhỏ nên chúng không sáng. 
 Hoạt động nháy đèn pha
Khi công tắc điều khiển đèn dịch chuyển về vị trí FLASH, thì rơ le đèn pha bật lên và các đèn pha-chiếu xa bật sáng 
(3) Loại có cả rơle đèn pha và rơle điều chỉnh độ sáng
Hoạt động của đèn pha-chiếu gần
Khi công tắc điều khiển đèn dịch chuyển về vị trí HEAD (LOW), thì rơ le đèn pha bật lên và các đèn pha-chiếu gần bật sáng.
Nguyên lý hoạt động của đèn pha-chiếu xa
Khi công tắc đèn pha dịch chuyển tới vị trí HEAD (HIGH), thì các rơle đèn pha và điều chỉnh độ sáng đèn bật lên, các đèn pha-chiếu xa bật sáng và đèn chỉ báo đèn pha-chiếu xa trên bảng táp lô cũng bật sáng.
Nguyên lý hoạt động nháy pha FLASH
Khi công tắc điều khiển đèn dịch chuyển về vị trí FLASH, thì các rơle đèn pha và điều chỉnh độ sáng đèn bật lên và đèn pha-chiếu xa bật sáng.

Không có nhận xét nào:

Được tạo bởi Blogger.