Hệ thống sấy sơ bộ động cơ diesel

 1. Sự cần thiết của hệ thống sấy sơ bộ

Tại thời điểm khởi động động cơ lanh, nhiệt sản ra do nén bị thoát ra khỏi buồng nén ngay cả khi nén đủ mức. Trong một số trường hợp, nhiệt độ của nhiên liệu phun vào không đạt đến nhiệt độ bắt cháy..

Do đó, cần có hệ thống sấy sơ bộ cần thiết để tăng khả năng bắt lửa. Nhờ sấy nóng không khí trước khi khởi động động cơ lạnh, hệ thống sấy sơ bộ tăng tính dễ khởi động của động cơ.

Tương tự, sấy nóng không khí trong một thời gian nhất định làm giảm tiếng gõ động cơ điêzen và khói trắng trong một nhiệt độ làm mát ngay sau khi khởi động.

Bugi sấy

 Các phương tiện mới nhất của Toyota có bugi sấy có chức năng tự điều chỉnh nhiệt độ.

Trong bugi sấy có một cuộn dây điều khiển, dây có điện trở tăng khi nhiệt độ tăng.

Điện trở tăng làm giảm lượng dòng điện trong dây nhiệt mắc nối tiếp với dây điều khiển.

Điện trở tăng làm giảm độ lớn dòng điện trong dây nhiệt mắc nối tiếp với dây điều khiển.Nhờ giảm giá trị dòng điện, nhiệt độ của bugi sấy không tăng nhiều.Nhiệt độ của bugi sấy tăng xấp xỉ 900°C (1,472 °F).  

THAMKHẢO:

Bugi sấy trước đây không có chức năng tự điều chỉnh, khi các điện trở của bugi sấy được mắc nối tiếp, giảm dòng điện trong bugi sấy.

Hệ thống sấy

1. Mô tả đèn báo sấy

Đèn báo bugi sấy lắp bên trong đồng hồ táp lô.

Khi đèn báo tắt, nó thông báo cho lái xe biết động cơ sẵn sàng khởi động.

GỢI Ý:

 Đèn báo sáng hoạt động độc lập với bugi sấy. Do đó, không thông báo bugi sấy có thật sự sấy nóng hay chưa. 

 Thời gian sáng đèn xấp xỉ 0 - 10 giây.

Thời gian sáng đèn có thể thay đổi theo nhiệt độ nước làm mát và theo loại động cơ.

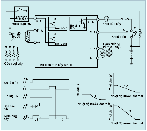
2. Hoạt động của hệ thống sấy (Loại sấy nóng đặcbiệt)

Bộ định thời 1 và 2 trong bộ định thời sấy sơ bộ hoặc ECU điều khiển phát xạ ECU bật sau khi bật khoá điện ON, khi nhiệt độ nước làm mát động cơ thấp.

Bộ định thời sấy 1 bật sáng đèn báo trong đồng hồ táp lô.

Bộ định thời sấy 2 bật rơle bugi sấy để bugi sấy phát ra nhiệt.

Bộ định thời 1 và 2 bật trong một thời gian phù hợp với nhiệt độ của nước làm mát, sau đó chúng tắt đi.

Khi bộ định thời 1 tắt,thì đèn báo sấy tắt.

Khi bật khoá điện đến vị trí "START", bộ định thời sấy sơ bộ bật rơle bugi sấy để ngăn nhiệt độ bugi giảm trong khi khởi động và tăng tính dễ khởi động.

Khi bộ định thời 3 hoạt động, bật rơle sấy trong một thời gian phụ thuộc vào nhiệt độ nước làm mát và ảnh hưởng đến sau sấy khi động cơ khởi động và khoá điện chuyển từ "ON" sang "START"

Mạch điện của Loại thời gian sấy sơ bộ không đổi

 Đối với hệ thống sấy sơ bộ của loại thời gian sấy không đổi, bộ định thời sấy sơ bộ điều khiển thời gian sáng lên của đèn báo sấy và thời gian rơle bugi sấy bật (thơì gian sấy sơ bộ)

Thời gian sáng của đèn báo sấy: Xấp xỉ 5 giây

Thời gian sấy sơ bộ: Xấp xỉ 18 giây

 Cả hai được điều khiển theo một thời gian cố định

Mạch điện của Loại thời gian sấy sơ bộ thay đổi

 Đối với hệ thống sấy sơ bộ của loại thời gian sấy sơ bộ thay đổi, bộ định thời sấy sơ bộ kiểm soát thời gian sáng của đèn báo sấy và thời gian rơle bugi sấy bật (thời gian sấy sơ bộ) phù hợp với nhiệt độ nước làm mát động cơ và điện áp của máy phát (đóng vai trò là tín hiệu dấu hiệu hoạt động của động cơ).

Thời gian sáng đèn: Xấp xỉ 2-28 giây

Thời gian sấy sơ bộ: Xấp xỉ 2-55 giây

 Hai thời điểm thay đổi theo nước làm mát. 

Không có nhận xét nào:

Được tạo bởi Blogger.